Lỗi S01 SERVO ALARM VỚI MÁY CNC MITSUBISHI
Lỗi S01 SERVO ALARM VỚI MÁY CNC MITSUBISHI
Trong quá trình vẫn hành máy CNC có sử dụng bộ điều khiển của hãng Mitsubishi, thi thoảng chúng ta gặp phải lỗi cảnh báo Alarm: S01 SERVO ALARM

Nguyên nhân gây ra lỗi S01 Servo alarm với máy CNC mitsubishi

Có rất nhiều nguyên nhân dẫn đến lỗi S01 Alarm Servo nhưng nguyên nhân chủ yếu do các yếu tố sau:
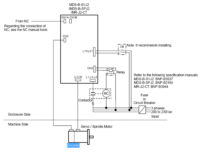
- Nguyên nhân do Drive
- Nguyên nhân do motor
- Nguyên nhân do Encoder
- Nguyên nhân do cáp kết nối Encoder
- Nguyên nhân cáp điều khiển
- Nguyên nhân do tham số cài đặt không đúng
Cùng với lớp cảnh báo S01 còn có S03, S04 ứng với các lỗi khác nhau sẽ có các chỉ số cụ thể như alarm reset class:PR, NR, AR, tên servo: trục X, Y, Z, Spindle: S, T, M, N
kết hợp với các cảnh báo trên Servo, Spindle ta có được câu trả lời cho các lỗi của máy ví dụ:
Alarm No: 10 – Insufficient voltage (Nghĩa : Insufficient PN bus voltage was detected in main circuit.)
Alarm No 1A – Machine side detector: Initial communication error ( Initial communication with the linear scale or the ball screw end
detector failed.)
Alarm No 1B: Machine side detector:CPU error 1 (CPU initial error was detected in the linear scale or in the ball screw end detector)
Alarm 1C: Machine side detector: EEPROM/LED error (An error was detected in the stored data of the linear scale memory. Or the LED deterioration was detected in the ball screw end detector.)
(Chi tiết xin xem trong phần List of Alarms thuộc tài liệu ALARM / PARAMETER MANUAL của Mitsubishi)
Khắc phục lỗi S01 Servo alarm trên máy sử dụng hệ điều hành Mitsubishi
Với lỗi S01 Servo alarm để khắc phục cần phải loại trừ các nguyên nhân kể trên, sau đó khởi động lại máy sẽ hết lỗi
- Lỗi với bộ Drive các trục (XYZ) của hãng Mitsubishi: Khi trên màn hình xảy ra lỗi : S01 Servo alarm, chúng ta cần nhìn trên đèn led hiển thị trên bộ Drive xem chúng hiển thị lỗi gì
Ví dụ : bạn sử dụng AC Servo MDS-B-SVJ2, và lỗi hiển thị trên đó là, ví dụ nó báo lỗi 3A. Bạn cần download tài liệu bộ điều khiển này về và tra cứu xem lỗi 3A là gì?
Qua tài liệu này chúng ta thấy có rất nhiều nguyên nhân dẫn đến lỗi A3 (Overcurrent – quá dòng điện)
Nó cũng chỉ ra nguyên nhân và cách khắc phục như:
- The speed loop gain (VGN1) is excessive.- Tốc độ vòng lặp tăng lên (VGN1) là quá mức. Biện pháp khắc phục: giảm VGN thấp hơn
- The current loop gain setting is incorrect – Thiết lập vòng lặp hiện tại không chính xác. Biện pháp khắc phục: Đặt giá trị tiêu chuẩn
- The inductive voltage compensation gain is high – Độ bù điện áp cảm ứng là cao. Biện pháp khắc phục: Hạ thấp EC
- The motor power line connection is incorrect – Kết nối đường dây kết nối động cơ không chính xác ( đấu sai dây đến các motor các trục X, Y hoặc Z, các pha U, V, W không đúng) . Biện pháp khắc phục: Đấu lại cho đúng
- The detector cable
connection is incorrect – Kết nối cáp phát hiện không chính xác. Khắc phục: Kết nối lại cho đúng - The grounding is incomplete – Việc nối đất không đầy đủ . Biện pháp khắc phục: Nối đất an toàn
- Amplifier fault – Lỗi bộ Amplifier. Biện pháp khắc phục: Kiểm tra tính lặp lại – thay thế Amplifier
Ngoài ra còn rất nhiều lỗi khác như 3C, 4F… cách kiểm tra tương tự đã được chỉ ra rất rõ ràng trong tài liệu của hãng mitsubishi
Sau khi đã khắc phục hết lỗi, reset máy, khởi động lại. Nếu máy vẫn báo lỗi S01 Servo alarm ta có thể nghĩ đến lỗi do motor hoặc encoder.
Các dòng Encoder phổ biến của Mitsubishi như:
| OBA13 | OBA13 Encoder TSIS PROG. TSIS RETURNABLE |
| OBE13-1 | OBE13-1 Encoder |
| OSA104 | Mitsubishi OSA104 MUAJ AUTOMATION NTAUS |
| OSA104S7 | Mitsubishi OSA104S7 Encoder |
| OSA104S2A | Mitsubishi OSA104S2A Encoder |
| OBA13-2 | Mitsubishi OBA13-2 O-NPLHAIB PISTON |
| OSA104S | Mitsubishi OSA104S AD36 / 0014AF.0RBIB TSIS Encoder |
| OBA17-052 | Mitsubishi OBA17-052 Encoder incremental |
| OSA105S5A | Mitsubishi OSA105S5A Encoder |
| OSA104S2 | Mitsubishi OSA104S2 Encoder TSIS 4BOLT |
| OSA105S5 | Mitsubishi OSA105S5 Encoder |
| OBE12 | Mitsubishi OBE12 Encoder |
| OSA105 | Mitsubishi OSA105 foob KIT TSHEB ROJ |
| OBA17-152 | Mitsubishi OBA17-152 Encoder |
| OSA105S2A | OSA105S2A Encoder |
| OSA105S2 | OSE105S2 teb Encoder 8PIN flange MOUNT |
| OSA166S5 | OSA166S5 Encoder |
| OSA14 | OSA14 teb Encoder DIGITAL 17PIN |
| OSA105S | OSE105S teb Encoder 8PIN flange MOUNT |
| OSA17 | OSA17 QHIA (ESC85L) |
| OSA17-020 | OSA17020 Encoder RAU HCSF81 |
Cách loại trừ nhanh nhất là thay encoder hoặc motor từ trục khác vào trục bị lỗi, nếu trục đó khắc phục được lỗi S01 thì đích thị đó là nguyên nhân gây ra lỗi. Lúc này bạn bốc máy lên và gọi cho chúng tôi để có giá encoder hoặc motor tốt nhất và được nhiệt tình tư vẫn cách khắc phục. Trường hợp bạn không tự tin có thể sử dụng dịch vụ sửa chữa thay thế của chúng tôi.
Dịch vụ sửa máy CNC, khắc phục lỗi nhanh chóng
Chúc Quý khách hàng vận hành máy bền bỉ và an toàn
Quý khách có thể đặt mua bộ điều khiển Drive, Encoder, motor tại www.vattucnc.com, các vật tư khác về máy cắt dây,, máy xung xin tham khảo tại www.aristech.com.vn hoặc www.bmedm.com.vn
Liên hệ đặt hàng
Mr . Dũng : 0983. 670.597
Email: vktechjsc@gmail.com



